難削精密加工部品
難削材の精密切削加工を低価格でお届けいたします
加工可能材料一覧
ステンレス系 その他特殊材
SUS304 純チタン
SUS316 64チタン
SUS430 医療用チタン
SUS630 ベリリウム銅
  純銅

加工精度の詳細ついてはこちらへ

holder2
材質 SUS630
holder2図面
 
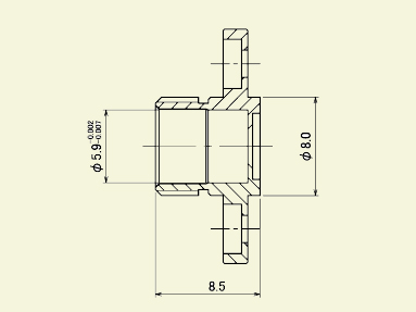
sleeb図面 sleeb
材質 SUS430
 
holder3
材質 SUS316
holder3図面
 
housing図面 housing
材質 SUS303